這個行業介紹
發布信息時期:2024-04-28 09:08:40 訪問 :770
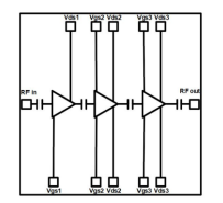
AMCOM的AM408041WN-00是一款寬帶GaN MMIC功率放大器,適用于3.75至8.25 GHz頻段。它具有33dB的增益和42 dBm的輸出功率,廣泛應用于儀器、商用電信傳輸設備和固定微波回程等領域。該產品的特性包括高增益、飽和輸出功率,以及輸入輸出直流阻塞匹配50歐姆。此外,該產品在有效工作范圍內達到27%的效率。該產品廣泛應用于通信領域,可滿足高頻段寬帶功率放大需求。

| Parameters | Minimum | Typical ** | Maximum |
| Frequency | 4-8 GHz | 3.75-8.25 GHz | |
| Small Signal Gain | 29dB | 33dB | |
| Gain Ripple | ±2dB | ±4.0dB | |
| P1dB | 35dBm | 38dBm | |
| Psat | 39dBm | 42dBm | |
| Psat Efficiency | 27% | ||
| Noise Fiqure | TBD (TBD | ||
| IP3 | TBD (TBD) | ||
| nput Return Loss | 10 dB | 15dB | |
| Output Return Loss | 5dB | ||
| Thermal Resistance | TBD |
成都立維創展是AMCOM輸出拖動器的代里經銷商,主導AMCOM的輸出拖動器,如:微波射頻結晶體管、MMIC輸出拖動器、混后拖動器模快、寬帶網拖動器、高輸出拖動器模快、帶RF和DC接連器的高輸出拖動器模快和低躁聲拖動器,輸出拖動器,打開,衰減器,移相器與上/底下變頻器的制作,認可質詢。