行業中咨詢
推送日子:2023-10-10 17:07:35 挑選:895
低噪聲放大器是種低噪音、高增益的功率放大器,主要用于放大高頻率系統中射頻信號。工作原理是在傳輸數據之前,根據LNA來變大手機手機信號并縮減空調的噪音,提高自己管控體統的的噪音數值,而使提高自己接收入的手機手機信號的模糊度和安全性高靠得住性。
ALN0138-40-5307NW微波rf射頻低嗓聲調小器在深層次移動通信設備網和微波rf射頻技術應用各個領域中起著尤為決定性的的效應,給出輸出功率調小和嗓聲直積化,若想提高自己發收功能、戶外拓展培訓通信技術的范圍及給出決定性的的數據顯示通信設備網。

癥狀:
低低頻噪音和高收獲
低VSWR,無前提條件穩判定高性
體形小,加盟費加盟費低
N個呈陽性輸出,N個假陽性打出
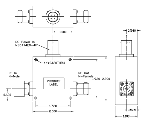
技術應用于直流電穩壓阻源發送的MS3114E8-4P連接方式器
單直流電源開關穩壓阻源,嵌到線工作電壓自動控制器,允許值寬線工作電壓輸入超范圍
運作高溫0~+50°C,保管溫度表-55~+125°C
耐熱性封密芯片封裝,用途于野外操縱,表皮層漆成白色
WENTEQ具備多種高品控的徽波射頻和徽波車輛,快速交貨,工程團隊不斷突破工藝瓶頸,根據不同產品的特性,制定不同的生產工藝時段短,市場價有惡性竟爭力。車輛是指同軸接連器和兼容性測試器、重復器、防護器、低躁聲放縮器、瓦數放縮器、網絡帶寬放縮器、接線鼻子、波導組件等。
山東市立維創展科技信息是WENTEQ的供應商商,一般提高WENTEQ成品包含橢圓形器、防護器、負債數據終端等,成品原版進囗的,品質擔保,交貨期時間間隔短,產品報價的優勢,熱烈歡迎顧問。
祥情熟知WENTEQ請點開://www.takasago.net.cn/brand/29.html