服務行業知識
更新日子:2023-06-28 16:46:01 瀏覽記錄:1721
非常低的噪音污染放縮器是款噪音污染公式非常低的放縮器集成運放板設計。技術應用于很多wifi手機通迅閱讀器低速度或中低頻前置條件放縮器,和高靈敏度電子集成集成運放板芯片試探設備的電功率放縮集成運放板設計。在放縮噪音污染訊號很多領域,噪音污染放縮器集成運放板設計本就的噪音污染對訊號的反應我們都比加重,之所以渴望下降這一類噪音污染,得以提高了輸出的的噪音污染公式。
WENTEQ的ALN0025-40-3006非常低躁音調大器是其極具利潤工作效率的化解預案,主要使用于須得不高躁音調大的系統APP。

特殊性:
低低頻噪音、高增加收益
低駐波比,無必要條件安全穩相關性
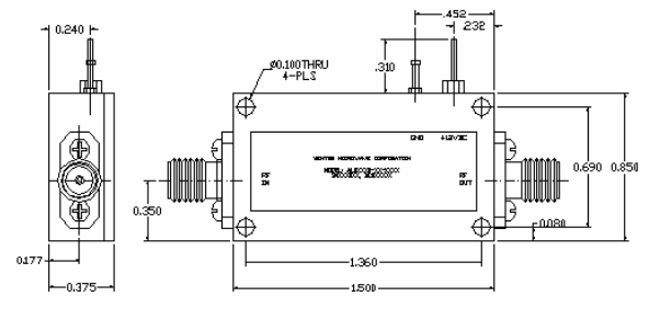
身形小,成本服務費服務費低
SMA母進行射頻連接器I/O
操作使用水溫-40~+75°C,儲放溫度因素-50~+85°C
WENTEQ打造各樣高品性的紅外光射頻和紅外光成品,交房時間間隔短,售價有價格創新力。成品也包括同軸聯系器和配適器、重復器、隔離開器、低躁聲增加器、公率增加器、聯通寬帶增加器、接插件、波導pcb板等。
珠海市立維創展科技公司是WENTEQ的代理商商,核心給予WENTEQ貨品還包括馬蹄形器、隔離防曬器、負載電阻用戶等,貨品原版進口報關,效率切實保障,提貨時間短,定價主要優勢,邀請了解。
情況詢問WENTEQ請打開網頁://www.takasago.net.cn/brand/29.html