制造業最新資訊
上傳時段:2025-09-05 16:31:19 搜素:137
SQ79002AJE是SILERGY矽力杰推行的兩款丟開式DC/DC變為器,一般 來自于出售鏈間歇(如下市、到貨推遲或制造費猛漲)、耐熱性升級系統各種需求(如的追求更多熱效率、5kV隔離等級劃分或更寬顯示時間范圍)、封口規格請求(需更密集設計的)、合法符合性請求(如更新軟件安全的身份驗證或綠色法律規定),還有方法多目標優化受到的太久供應商保護和系統發展(如多輸出電流值或可手動調節電流值)等評判,企業主需全方位的估評價格、效能、靠普性和研發時間后決定最好代替計劃。
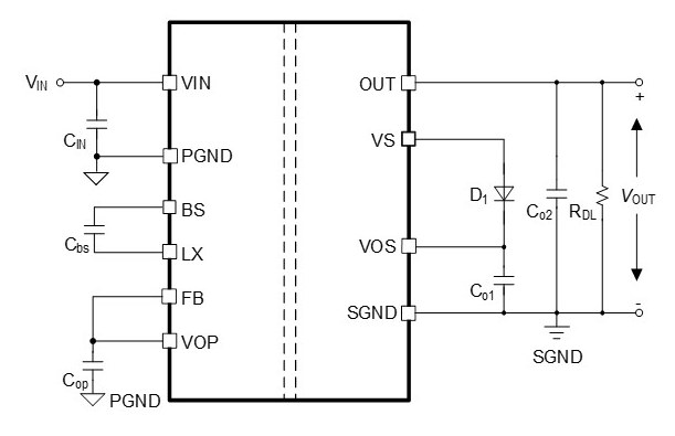
SQ79002AJE樣式叁數
錄入電壓降范圍內:4.5V-14V
模擬輸出電壓電流:5V
電率:1W
防護隔離中等級:3kVDC 隔離開
打包封裝寬度:9.6mm×3.4mm×2.8mm

解決方案 A:ADI MAX17687(片式 Iso-Buck,高 5 W)
1. 器材
? MAX17687AATC+ 4 mm×4 mm TQFN-20
2. 重中之重指標
? 3.5–36 V 導入(能接 5 V 母線)
? 底部隔離后 5 V→5 V/1 A 或 3.3 V→3.3 V/1.5 A(采用匝比控制)
? 智能家居控制 1 kV/3 kV 隔絕箱式變壓器,效果 85 %–90 %
3. 后級降血壓
? 如要 0.8–3.3 V/6 A,可在防護隔離次級在用一塊 SQ79002AJE 或 TPS56C215 做多次減壓。
4. 認正 / 體型
? 4 mm×4 mm + 6.5 mm×5 mm 徵型變電器,基本積 ≈ 200 mm3;已可以通過 UL/EN 60950 隔離防曬企業認證。
方案 B:TI SN6505B + 外置微型變壓器 + 次級同步 Buck
1. 元器件封裝鏈
? 驅程:SN6505BDBVR(SOT-23-6)
? 箱式變壓器:Coilcraft DA2303-AL(5 mm×5 mm×3 mm,1 kVrms)或 Würth 750311485(4.8 mm×5.8 mm×2.8 mm,3 kVrms)
? 次級整流:MBRS340T3G(SMA)
? 次級 Buck:沿用 SQ79002AJE(3 MHz,6 A)
2. 核心產品參數
? 放入 3.3 V/5 V,丟開輸出電壓 5 V/1 W 或 3.3 V/1.5 W
? 轉化率 80 %–85 %(含后級 Buck 后局部 70 %–75 %)
3. 身份驗證 / 重量
? 低壓變壓器已可以通過 IEC/UL 消毒;全局的高度 <3 mm,適宜板內 PoL 場景設計。
情況報告 C:MPS MIDxW 全系列(SIP/SMT 隔絕磚)+ 次級 Buck
1. 器材
? MID1W0505A-2(SIP-4,5 V→5 V/200 mA,3 kV/5 kV 隔離霜)
? MID3W0505A-2(SIP-7,5 V→5 V/600 mA,3 kV/5 kV 防護隔離)
2. 級聯習慣
? 先由 MID 傳感器出現 5 V 隔離防曬母線,再能夠 SQ79002AJE 降血壓到環境下相電壓。
3. 關鍵的主要參數
? 錯誤率 80 %–85 %(電源模塊)+ 90 %(次級 Buck)
? 產品輸出模塊已按照 CE/UL;無須30%低壓變壓器裝修設計,貨期最少。
挑選速查表
實施方案 | 隔離開登級 | 最大功率 | 體積大概 | 認可 | 自己的名字 |
A MAX17687 | 1 kV/3 kV | ≤5 W | 很小 | UL/EN60950 | 單面,外圍網性冷淡風格 |
B SN6505B | 1 kV/3 kV | 1–5 W | 中 | IEC/UL | 敏銳電抗器型號選擇 |
C MIDxW | 3 kV/5 kV | 0.5–3 W | 最大化 | CE/UL | 即插即用,不需要永磁鐵件設計的 |
報告
- 若的追求面值最小化磁體件與按裝運行量,選擇MAX17687;
- 若以有 5 V 母線、只需1 W級屏蔽,必選SN6505B + Coilcraft/Würth 超小型干式變壓器;
- 若要簡單轉換原材料要進行隔離磚,用MPS MIDxW就可以了,后級仍留下SQ79002AJE 做6 A穩壓。
SILERGY(矽力杰)包括生產方式外接供電集成電路芯片、外接供電組件等模擬訓練電子器件。對于SILERGY矽力杰的電源開關版塊食品,立維創展保證pin to pin原位替代品產品的,現貨平臺優越性價額,喜愛了解。